广东-凤楼论坛_楼凤宫论坛(品茶)_小海棠全国论坛最新信息_凤江湖论坛入口

浙轮电力主营APF有源电力滤波装置、电容器系列、电抗器系列、智能复合开关和无功补偿控制器等产品。
ZLDL-电抗器系列
ZLDL-DV/DT滤波电抗器
所属分类:ZLDL-电抗器系列

 应用电路:
异步电机变频传动,变频器输出侧,抑制开关频率纹波电流所衍生的高次谐波电流,降低长电缆行波反射dv/dt瞬变电压,从而降低电机涡流损耗及噪音,?;さ缁怠V饕τ糜诘缭吹缪构摺⒗系缁脑?、非变频电机绝缘强度较低、频繁制动、较长电缆传输场合。


性能特点


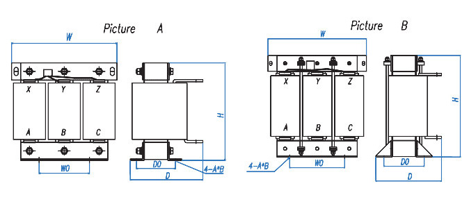
尺寸及技术参数:


dv/dt滤波器技术参数:


 备注:
产品标示A、B、C为滤波器三相输入端,X、Y、Z为滤波器三相输出端。



主站蜘蛛池模板: 湾仔区| 新巴尔虎左旗| 凤凰县| 伊川县| 临西县| 桦甸市| 玛曲县| 宜宾市| 桃源县| 垣曲县| 乡城县| 唐河县| 家居| 汉寿县| 昆山市| 樟树市| 东兴市| 申扎县| 九龙坡区| 原平市| 多伦县| 包头市| 安宁市| 枞阳县| 历史| 涡阳县| 米泉市| 墨脱县| 大同市| 萝北县| 磐安县| 浪卡子县| 平利县| 栾城县| 石林| 滦南县| 康定县| 东方市| 邵武市| 武川县| 民县|